
Buck-boost是一种非隔离变换器,可以将电源的电压转换为较高或较低的电压输出。它采用开关控制原理,通过周期性地切换电感和电容的连接方式,改变电感储能和释放能量的时间比例来实现电压升降。

Buck-boost优点:
● 可逆性好,控制简单。
● 转换效率高。
● 控制精度高,输出稳定性好。
● 电路驱动成本低。
Buck-boost应用
● 非隔离式的电池充放电,例如储能型微逆、分布式光伏(如下图)。
● 低压的高效非隔离升压或降压电路。
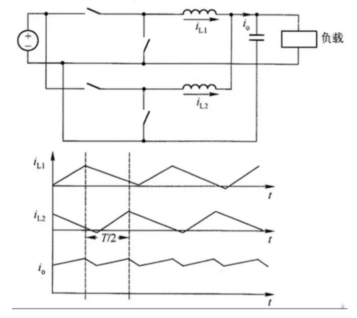
● 为降低电源纹波,多选用多路交错式结构。


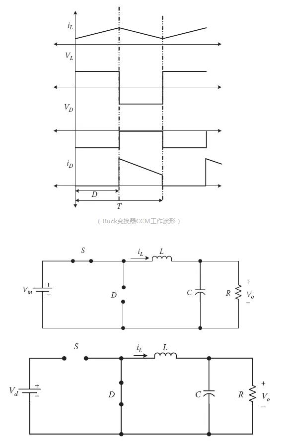
当直流母线侧给电池充电时降压输出,工作在buck模式。
根据流过电感L的电流情况(连续或断续),Buck变换器常规三种工作模式:
● CCM(Continuous Coduction Mode)
● DCM(Discontinuous Conducton Mode)
● BCM(Boundary Conducton Mode)
数字电源中主要以CCM为主,本应用重点讲述CCM控制实现。输出电压:
这里D为PWM占空比。

当电池向直流母线放电时升压输出,工作在boost模式。
数字电源中主要以CCM为主,本应用重点讲述CCM控制实现。输出电压:
这里D为PWM占空比。


交错式buck-boost电路是一种多路并联的升降压转换器,利用多个相同的电路模块,通过交错控制方式实现高效率、低纹波、大功率输出的升降压转换。本应用选用了两相交错模式,相位角为180°。
Buck-Boost应用要求
● buck和boost工作模式的主功率管可以通过软件切换,对应死区控制也根据工作模式切换。
● 为了提高效率,buck-boost电路中续流功率管在续流状态时,需要打开功率管;同时在续流电路减小至零点前需要关闭功率管,防止电流反向。
● 由硬件完成监控续流电流并实现续流功率管快速关闭。
● PWM中有效输出状态有跨越PWM周期的情况,针对该应用,PWM输出应不受计数器重载影响。
● 选用PWM中心对齐模式,优化EMC和电路采样精度。



PWM配置
● 两路PWM选择中心对齐模式,其中通道0的中心点为周期/2,通道1的中心点为周期结束点。
● 通道0的主功率管和续流功率管由两个PWM输出分别控制。
● buck和boost模式不同,通道0中的主功率开关对应PWM直接输出通道根据模式可以在PWM0和PWM1直接切换,PWM工作模式为中心对齐模式。
● 通道0中的续流功率管通过PWM8输出互联管理器,在PLB中与ACMP组合产生最终PWM信号。
● 通道1的PWM输出有跨越周期问题,PWM工作模式为边沿输出,由PWM9-PWM12输出至PLB后,根据信号重构PWM。

模拟比较器ACMP
● HPM5300包含2个模拟比较器。ACMP可以对两个模拟电压输入 (同相端INP) 和反相端 (INN) 进行比较,并输出比较结果。
● ACMP支持内部8位数字模拟转换器DAC,支持外部模拟信号与内部 DAC 生成的参考信号进行比较。
ACMP配置
● ACMP是用于侦测两通道buck-boost输出电流大小。
● 反馈电流信号输入作为反相端输入,内置DAC作为同相端输入。当反馈电流信号过小时,ACMP输出高电平,关闭续流功率管的PWM信号。
● 考虑到开关时干扰,ACMP的回差都设置为最高。

互联管理器TRGM
● 互联管理器TRGM支持电机控制单元内外各个设备的信号间互通互联,可以把片上各个外设整合起来,实现外设间相互同步,相互配合。
● 互联管理器支持多个输入,输入来自于IO,电机控制单元内外的各个外设。
● 互联管理器支持管理电机控制单元内外设的DMA请求、位置输入切换等。
TRGM配置
● PWM8输入信号的为电平信号。
● ACMP0、ACMP1输入信号为电平信号。
● PWM9、PWM10、PWM11、PWM12为重构PWM信号,输入信号是上升沿有效。
● PLB的OUT0输出是与ACMP0组合后的PWM输出信号,同时配置给TRGM_IO0和TRGM_IO1,由具体应用确定pimmux中配置。

PLB的主要特性:
● 包含两种可编程类型:TYPE_A为4输入、4输出的查找表,TYPE_B包含4输入、逻辑处理单元用于时序控制。
● HPM5300中包含4个TYPE_A和4个TYPE_B。
● 本应用使用了4个TYPE_A


TYPE_A0、TYPE_A1综合PWM和ACMP
● 包含3个输入、2个输出,其中,3个输入为ACMP输出、自锁信号、PWM电平信号,2个输出为自锁信号、续流功率管驱动信号。
● 输出自锁信号为ACMP输出的锁存信号,即一旦ACMP在PWM有效时间内出现有效信号将一直锁定,直至PWM信号无效时解除。
● 续流功率管输出信号由PWM与输出自锁组合实现。
● TYPE_A由查找表实现,需通过真值表完成逻辑配置见下图。

TYPE_A2、TYPE_A3逻辑说明
● PWM中心对齐的模式下要求:STA<cmp0<cmp1<rld,当pwm有效状态跨越周期时无法满足该要求。plb通过type_a2、type_a3实现了pwm重构,完成跨周期输出。
● TYPE_A2包含4个输入、1个输出,4个输入为PWM前沿输出、PWM后沿输出、PWM互补前沿输出、自锁信号,1个输出为自锁信号。
● 输出自锁信号在PWM前沿输入后自锁,在PWM后沿输入解锁。其中,PWM互补前沿输入的用于一个通道的两个功率管驱动信号之间的互锁。

TYPE_A特点
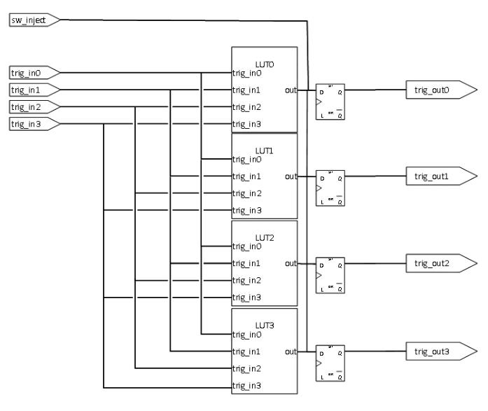
● 每个TYPE A通道有四个trig_in, 四个trig_out
● 每个trig_out对应一个查找表LUT
● 可通过sw_inject将输出注入到trig_out
● 注入保持一个时钟周期
TYPE_A配置
● SDK中plb_type_a_inject_by_sw()函数完成软件注入,实现初始化输出。
● LUT查找表逻辑赋值函数为plb_type_a_set_lut(),可以配置不同通道和不同查找表,达到逻辑输出功能。

占空比更新
● 为了减少CPU的占用,程序将PWM中比较器CMP0-CMP7的数据存储于高速RAM中,PWM_DMA_struct.PWM_cmp_mirror[0]-PWM_DMA_struct.PWM_cmp_mirror[7]。通过DMA更新PWM寄存器,限于篇幅限制,本文不再赘述。
● 由于PWM没有配置成互补输出模式,需要软件实现死区配置,其中前后沿的死区为单独参数,可以配置不同的数值,PWM_DMA_struct.Front_Dead、PWM_DMA_struct.Post_Dead。此外,例程中包含了占空比限幅,如果在前期计算时占空比时已经对占空比限幅,可以忽略相应限幅处理。
● 浮点运算中需在浮点常数后面加f,否则会增加定点转浮点运算。
● 例程选用的是硬交错方案,即两路输出的中心点强制相差180°。但外设配置同样支持软交错方案,需修改占空比函数。

输出波形


● 该操作方法实现了硬件快速续流控制功能,集成度高且阈值数字可控,优化成本和面积。
● 结合PLB功能,令buck-boost模式切合更加自由。
● PWM模块与PLB结合,可以轻松克服单时基PWM模块实现跨周期输出问题,该功能同样适用于单PWM模块的移相控制。
● 两相交错输出,减少纹波,增加EMC能力。
● 强大的DMA功能,减少了读取外设寄存器的时间,并通过硬件触发省去了CPU对寄存器赋值时间。
● HPM5300系列高性价比MCU,运算速度快,在数字电源控制中更加自如。
0755-83660119