电子元器件现货代理商

√ 大量现货 √ 灵活帐期 √ 技术支持 √ 方案开发 √ 库存代售
tel

拨打电话

全国服务热线 0755-83660119
点击这里给我发消息 点击这里给我发消息

解决方案

tel 工厂服务热线 0755-83660119
当前位置: 首页 > 解决方案
更多
经验分享|先楫HPM5300驱动设计,交错式buck-boo

经验分享|先楫HPM5300驱动设计,交错式buck-boo

Buck-Boost简介Buck-boost是一种非隔离变换器,可以将电源的电压转换为较高或较低的电压输出。它采用开关控制原理,通过周期性地切换电感和电容的连接方式,改变电感储能和释放能量的时间比例来实现电压升降。Buck-boost优点: 
成功案例 | LPC865 MCU赋能,打造下一代临床台式离

成功案例 | LPC865 MCU赋能,打造下一代临床台式离

Drucker Diagnostics总部位于美国宾夕法尼亚州中部,是临床台式离心机设计与制造领域的领军企业。Drucker Diagnostics离心机覆盖全球,每天处理无数份患者采样,完成常规检查、血液存储及紧急快速检查(STAT测试)等工作。如
RK3588核心板实现12屏联屏拼接、同显、异显解决方案!

RK3588核心板实现12屏联屏拼接、同显、异显解决方案!

电机控制常用芯片

电机控制常用芯片

  一、MCU        MCU就是微控制器,是电机系统实现自动控制的“中枢大脑”,大脑里其中包含了最精华的控制算法的实现。目前控制器大概分四大类:单片机、ARM、DSP、FPGA。 
MCP2518FDT-E/SL在XC7A35T开发板方案中的

MCP2518FDT-E/SL在XC7A35T开发板方案中的

近期完成了CAN模块数据收发的调试,用到的芯片有CAN控制器:MCP2518FD和CAN收发器:ADM3057E。通过FPGA-XC7A35T开发板的SPI接口与分别与两个MCP2518FD相连,分别对其进行寄存器的读写以及RAM的读写,控制其中一个
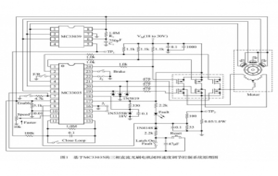
MC33035DWR2G在直流无刷电机控制中的方案应用

MC33035DWR2G在直流无刷电机控制中的方案应用

       近年来, 随着石油能源的日趋紧张以及人们环保意识的增强, 电动助力车越来越受欢迎。 永磁直流无刷电机是近年来迅速成熟起来的一种新型机电一体化电机, 既具有交流伺服电机的结构简单、 运行可靠、 维护
智能定位器方案

智能定位器方案

智能家居利用综合布线技术、网络通信技术、 安全防范技术、自动控制技术、音视频技术将家居生活有关的设施集成。
扫地机器人解决方案

扫地机器人解决方案

智能家居利用综合布线技术、网络通信技术、 安全防范技术、自动控制技术、音视频技术将家居生活有关的设施集成。
智能停车系统方案

智能停车系统方案

智能家居利用综合布线技术、网络通信技术、 安全防范技术、自动控制技术、音视频技术将家居生活有关的设施集成。
智能红外体温计方案

智能红外体温计方案

智能家居利用综合布线技术、网络通信技术、 安全防范技术、自动控制技术、音视频技术将家居生活有关的设施集成。
能源物联网解决方案

能源物联网解决方案

方案介绍百度天工能源物联网解决方案,是面向能源行业,融合百度智能云ABC技术和物联网技术的整体解决方案,由能源侧接入、天工物联网平台和能源应用三部分组成 。通过物联网技术采集能源信息,通过天工物联网平台数据、存储、分析能源数据信息;通过能源应用,将服
能源物联网解决方案

能源物联网解决方案

方案介绍百度天工能源物联网解决方案,是面向能源行业,融合百度智能云ABC技术和物联网技术的整体解决方案,由能源侧接入、天工物联网平台和能源应用三部分组成 。通过物联网技术采集能源信息,通过天工物联网平台数据、存储、分析能源数据信息;通过能源应用,将服
首页首页 品牌分类品牌分类 关于我们关于我们 一键呼我一键呼我 backtop回顶